Ò»¡¢Ä¿µÄ£ºÕÆÎÕ¼«Öá¡¢¹¤¾ß²¶»ñ¡¢¹¤¾ß×·×ÙÀ´ÊµÏÖÊÓͼ¼ä³¤¶ÔÕý¡¢¸ßƽÆë¡£¡£¡£¡£¡£¡£¡£¡£
¶þ¡¢ÄÚÈÝ£º»æÖÆÈçͼËùʾµÄÁ¢ÌåÈýÊÓͼ¡£¡£¡£¡£¡£¡£¡£¡£

Èý¡¢ÖØÄѵãÌáÐÑ£º
1 £®¼Ðµã±à¼¡¢¼«Öá×·×ٵIJÙ×÷¡£¡£¡£¡£¡£¡£¡£¡£
¼Ðµã±à¼£ºÊ×ÏÈÑ¡Ôñ±»±à¼¹¤¾ß£¬£¬£¬£¬£¬£¬£¬£¬·ºÆðÀ¶É«¾ä±þ£¬£¬£¬£¬£¬£¬£¬£¬×ó¼üµã»÷ÆäÖÐÒ»À¶É«¾ä±þ£¬£¬£¬£¬£¬£¬£¬£¬Ê¹À¶É«¾ä±þ±äºì£¬£¬£¬£¬£¬£¬£¬£¬¿É¾ÙÐÐÀÉì¡¢ÒÆ¶¯¡¢Ðýת¡¢¾µÏñ²Ù×÷¡£¡£¡£¡£¡£¡£¡£¡£
2£®¹ØÓÚÈýÊÓͼӦ¶à½ÓÄɹ¤¾ß×·×ÙÀ´»æÖÆ£¬£¬£¬£¬£¬£¬£¬£¬»³¤¶ÔÕý¡¢¸ßƽÆë¡¢¿íÏàµÈºÜÈÝÒ×ÇÒ¼òÆÓ£¬£¬£¬£¬£¬£¬£¬£¬ÉÙÓÃÆ«ÒÆÏÂÁ£¬£¬£¬£¬£¬£¬£¬¶àÓÃÖ±Ïß¡¢¾ØÐκÍÒÆ¶¯ÏÂÁî¡£¡£¡£¡£¡£¡£¡£¡£
ËÄ¡¢°ì·¨£º
1 £®ÉèÖûæÍ¼ÇéÐÎ
£¨ 1 £©½¨ÉèÐÂÎļþ£ºÔËÐÐ ÖÐÍûCAD Èí¼þ£¬£¬£¬£¬£¬£¬£¬£¬ÉèÖûæÍ¼ÇøÓò£º A4 £¨ 297 ¡Á 210 £©¡£¡£¡£¡£¡£¡£¡£¡£
£¨ 2 £©ÉèÖÃͼ²ã£¨°üÀ¨ÏßÐÍ¡¢ÑÕÉ«¡¢Ïß¿í£©
²ãÃû ÑÕÉ« ÏßÐÍ Ïß¿í
´ÖʵÏß °×É« ʵÏß (CONTINUOUS) 0.5mm
ϸʵÏß °×É« ʵÏß (CONTINUOUS) 0.25mm
ÖÐÐÄÏß ºìÉ« µã»Ïß (CENTER) 0.25mm
ÐéÏß ×ÏÉ« ÐéÏߣ¨ DASHED £© 0.25mm
µ¥»÷¡°ÃûÌᱡú¡°ÏßÐÍ¡±¡ú¡°ÏßÐÍÖÎÀíÆ÷¡±µÄÈ«¾Ö±ÈÀýÒò×ÓÉèΪ 0.5 ¡£¡£¡£¡£¡£¡£¡£¡£
2 £®°²ÅÅÊÓͼ£¬£¬£¬£¬£¬£¬£¬£¬Íê³ÉÍêÕûÔ²ÖùÌåµÄÈýÊÓͼ
£¨1£©°´ÏÂ״̬À¹ØÁ¬Ä¡°¼«Öᡱ¡¢¡°¹¤¾ß²¶»ñ¡±¡¢¡°¹¤¾ß×·×Ù¡±°´Å¥¡£¡£¡£¡£¡£¡£¡£¡£
£¨2£©Êó±êÓÒ»÷״̬À¸ÖС°¼«Öᡱ°´Å¥£¬£¬£¬£¬£¬£¬£¬£¬Ñ¡¡°ÉèÖᡱѡÏ£¬£¬£¬£¬£¬£¬£¬ÔÚ¼«Öá×·×Ù½ÇÉèÖÃÀïÑ¡Ôñ¡° 45 ¡ã¡±£¬£¬£¬£¬£¬£¬£¬£¬ÔÚ¡°¹¤¾ß²¶»ñ×·×ÙÉèÖá±ÀïÑ¡Ôñ¡°ÑØËùÓм«Öá½ÇÉèÖÃ×·×Ù¡±¡£¡£¡£¡£¡£¡£¡£¡£
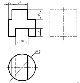
£¨3£©Å²Óá°Ö±Ïß¡±¡¢¡°Ô²¡±¡¢¡°¸´Öƹ¤¾ß¡±ÏÂÁî²¢ÅäºÏ¹¤¾ß²¶»ñ×·×Ù»æÖÆÍêÕûÔ²ÖùÌåµÄÈýÊÓͼ¡£¡£¡£¡£¡£¡£¡£¡£Èçͼ 2-1 ¡¢ 2-2 ¡£¡£¡£¡£¡£¡£¡£¡£
3£®»æÖÆÔ²ÖùÌåÉϲ¿µÄȱ¿ÚºÍϲ¿µÄ¿ª²Û¡£¡£¡£¡£¡£¡£¡£¡£
Òªº¦²Ù×÷£º
ŲÓÃÖ±ÏßÏÂÁ£¬£¬£¬£¬£¬£¬£¬²¶»ñ½»µã£¨²»Òªµ¥»÷×ó¼ü£©£¬£¬£¬£¬£¬£¬£¬£¬Ïò×óÒÆ¶¯Êó±êÊäÈë¾àÀ루10£©ºó£¬£¬£¬£¬£¬£¬£¬£¬»Ø³µ¡£¡£¡£¡£¡£¡£¡£¡£Èçͼ2-3¡£¡£¡£¡£¡£¡£¡£¡£Ê¹ÓÿìËÙ²ÃÏÂÁTrim£©¼´ÊäÈë¡°TR¡±»Ø³µ¶þ´Î£¬£¬£¬£¬£¬£¬£¬£¬ÐÞ¼ôͼÐΡ£¡£¡£¡£¡£¡£¡£¡£Èçͼ2-4¡£¡£¡£¡£¡£¡£¡£¡£

4 £®Íê³É×óÊÓͼ
Òªº¦²Ù×÷£º
µ¥»÷¡°Ö±Ïß¡±Í¼±ê£¬£¬£¬£¬£¬£¬£¬£¬´Ó¸©ÊÓͼÉÏÖ±ÏßÓëÔ²µÄ½»µã³ö·¢£¬£¬£¬£¬£¬£¬£¬£¬»æÖƸ¨ÖúÏßÓë 45 ¡ãÏßÏཻ£¬£¬£¬£¬£¬£¬£¬£¬Æ¾Ö¤Ö÷ÊÓͼÉÏÇпںͲ۵ÄÉî¶È£¬£¬£¬£¬£¬£¬£¬£¬²¶»ñ×·×Ù£¬£¬£¬£¬£¬£¬£¬£¬ÊµÏ֏߯½Æë£¬£¬£¬£¬£¬£¬£¬£¬»³öÇпÚÓë²ÛµÄ×óÊÓͼ¡£¡£¡£¡£¡£¡£¡£¡£Èçͼ 2-5 ¡¢ 2-6 ¡£¡£¡£¡£¡£¡£¡£¡£
ʹÓá°²Á³ý¡±ÏÂÁ£¬£¬£¬£¬£¬£¬£¬É¾³ý¶àÓàµÄ¸¨ÖúÏߣ¬£¬£¬£¬£¬£¬£¬£¬ÉúÑÄÎļþΪ¡°Á¢ÌåÈýÊÓͼ .dwg ¡±¡£¡£¡£¡£¡£¡£¡£¡£

ÍÆ¼öÔĶÁ£ºCADÅàѵ
¡¤Ãâ·ÑÁì90Å·ÔªÃÅÆ±£üÖÐÍûÑûÄú¹²¸°ººÅµÍþ£º¹²¼û¹¤ÒµÊý×Ö»¯µÄÈ«Çòͼ¾°2026-02-05
¡¤ ²ú½ÌÈÚºÏÐÂʵ¼ù£ºÖÐÍûЯÊÖ¸»ÁÙ¾«¹¤¼°´¨ÄÚ¸ßУ¾ÙÐÐÊ׽조׿Խ¹¤³Ìʦ±¡±Éè¼Æ´óÈü2026-01-06
¡¤ ÖÐÍûÈí¼þÁÁÏàÕã½Æû³µÊýÖÇ»¯Äê»á£¬£¬£¬£¬£¬£¬£¬£¬ÒÔ3D+¸³ÄÜÆû³µÁ㲿¼þÐÐҵתÐÍÉý¼¶2026-01-04
¡¤ ÖÐÍûÈí¼þÓ뽨Áؼ¯ÍŸ濢սÂÔÏàÖú£¡¹²ÆôÎÀ³øÐÐÒµÊý×Ö»¯Ñз¢ÐÂÕ÷³Ì2026-01-04
¡¤ ÖÐÍûCAD 365ÈëÑ¡±ÏÂíÍþ²»¶¯²ú¿Æ¼¼50Ç¿£ºÔÆÔÉúÐͬ£¬£¬£¬£¬£¬£¬£¬£¬ÖØËÜÉè¼ÆÉú²úÁ¦Ð·¶Ê½2025-12-22
¡¤ ÖÐÍûÈí¼þÓë¸ñÁ¦µçÆ÷¸æ¿¢Õ½ÂÔÏàÖú£¬£¬£¬£¬£¬£¬£¬£¬¹²ÖþÖйúÖÆÔìÊý×Ö»¯×ªÐͱê¸Ë2025-12-22
¡¤ ²®ÀÊÌØ»úеÈË£ºCAXÒ»Ìå»¯Æ½Ì¨Í»ÆÆÉè¼Æ±ÚÀÝ£¬£¬£¬£¬£¬£¬£¬£¬¿ªÆôÖÇÄÜÖÆÔìÐÂÆªÕÂ2025-12-17
¡¤ Ä£¾ß¼Ó¹¤20Ä꣬£¬£¬£¬£¬£¬£¬£¬ËûÌìÌì¶¼ÔÚ¡°Ä¥¡±Ê²Ã´£¿£¿£¿£¿£¿£¿£¿2025-12-15
¡¤ÍæÈ¤3D£ºÔõÑùÓ¦ÓÃÖÐÍû3D£¬£¬£¬£¬£¬£¬£¬£¬¿ìËÙÉè¼Æ»ùÕ¾ÌìÏß´«¶¯Âݸˣ¿£¿£¿£¿£¿£¿£¿2022-02-10
¡¤È¤Íæ3D£ºÊ¹ÓÃÖÐÍû3DÉè¼Æ³µ¶¥ÕÊÅñ£¬£¬£¬£¬£¬£¬£¬£¬Îª»§ÍâÐÝÏÐÔöÌíÐÂ×°±¸2021-11-25
¡¤ÏÖ´úÓëÀúÊ·µÄÅöײ£º°¢¸ù͢ѧÉúÓ¦ÓÃÖÐÍû3D£¬£¬£¬£¬£¬£¬£¬£¬ÊÖÒÕÖØÏִ·ÒÆæ¡°·Éµú¡±Ì¹¿ËÔÐÍ2021-09-26
¡¤ÎÒµÄÖ鱦ÈËÉú£ºÎ÷°àÑÀÉè¼ÆÊ¦ÓÃÖÐÍû3DÉè¼Æ»ªÃÀÖ鱦2021-09-26
¡¤9¸öСÃîÕУ¬£¬£¬£¬£¬£¬£¬£¬Çл»ÖÁÖÐÍûCAD¾¹¿ÉÒÔÔÆÔÆË³º¨³©ËÙ 2021-09-06
¡¤ÔÀ´²åÍ·ÊÇÕâÑùÉè¼ÆµÄ£¬£¬£¬£¬£¬£¬£¬£¬¿´ÍêÄãѧ»áÁËÂ𣿣¿£¿£¿£¿£¿£¿2021-09-06
¡¤ÍæÈ¤3D£ºÔõÑùÇÉÓÃÖÐÍû3D 2022й¦Ð§£¬£¬£¬£¬£¬£¬£¬£¬Éè¼Æ×¨ÊôÏà»ú£¿£¿£¿£¿£¿£¿£¿2021-08-10
¡¤CADÀ¸Ñ¡¹¦Ð§²»»áÓÃÔõô°ì£¿£¿£¿£¿£¿£¿£¿2020-05-18
¡¤CAD¾ÓÖÐͼÐεÄÒªÁì2019-12-30
¡¤CADÔõÑù¹Ø±ÕÎÀÐǵØÍ¼2025-05-20
¡¤CADÀïÔõÑù»ÐéÏß2020-02-20
¡¤CADÖÐÔõô²Å»ª½«Í¼ÐκÍÎÄ×Ö´òÓ¡³É°×É«2017-07-06
¡¤CAD½¨Ä£¶Ë¸Ç2022-09-07
¡¤CADÔÝÊ±Ìæ»»¼üÔõÑù¾ÙÐÐÉèÖÃ2018-01-15
¡¤CAD2022ÊÖ¶¯¼ÓÔØECµÄÒªÁì2024-07-11

Ãâ·ÑÁìÈ¡30Ì켤»îÂë
ÁªÏµ¿Í·þ
