ʹÓÃCADÐèÒªÎÒÃÇÏàʶ»ù±¾µÄ¹¦Ð§È»ºó½ÏÁ¿ºÃµÄȥѵÁ·Ïà¹ØµÄ»æÖÆ£¬£¬£¬£¬£¬£¬£¬²Å»ª¸üºÃµÄÌáÉý×Ô¼ºCADµÄʹÓÃÄÜÁ¦¡£¡£¡£¡£¡£¡£¡£
1.ÎÒÃÇ·¿ªÖÐÍûCAD2018

2.È»ºóн¨23411ÓÀÀûÎļþ£¬£¬£¬£¬£¬£¬£¬

3.ÔÚ×îÏÈÕýʽ»æÍ¼Ö®Ç°£¬£¬£¬£¬£¬£¬£¬ÎÒÃÇÐèÒª×öºÃһЩ׼±¸ÊÂÇ飬£¬£¬£¬£¬£¬£¬ÏÈÒª½¨ÉèºÃͼ²ã£¬£¬£¬£¬£¬£¬£¬´ÖʵÏߣ¬£¬£¬£¬£¬£¬£¬ÖÐÐÄÏߣ¬£¬£¬£¬£¬£¬£¬ÐéÏߵȣ¬£¬£¬£¬£¬£¬£¬È»ºóƾ֤ͼֽȷ¶¨ÏߵĴÖϸ¡£¡£¡£¡£¡£¡£¡£

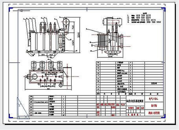
4.ÎÒËù»æÖƵÄÊÇ¡¶Óͽþ±äѹÆ÷×°Åäͼ¡·£¬£¬£¬£¬£¬£¬£¬Í¼Ö½·ÖΪÈý¸ö²¿·Ö£¬£¬£¬£¬£¬£¬£¬×óÊÓͼ¡¢Ö÷ÊÓͼºÍ¸©ÊÓͼ¡£¡£¡£¡£¡£¡£¡£ÎÒÏÈ»µÄÊÇÓͽþʽ±äѹÆ÷¸©ÊÓͼ¡£¡£¡£¡£¡£¡£¡£

5. ÎÒ·¢Ã÷ËüµÄÉ¢ÈÈÆ¬ÓÉËĸöͬÑùµÄ²¿·Ö×é³ÉÓÚÊÇÎÒʹÓÃÁËÍⲿ¿é£¨°´W½øÈë¹¹½¨¿éµÄģʽ£¬£¬£¬£¬£¬£¬£¬Ñ¡Ôñ»ù×¼µãºÍ¹¤¾ß£¬£¬£¬£¬£¬£¬£¬ÐÞ¸ÄÉúÑÄÎļþÃû×Ö¼´¿É¡£¡£¡£¡£¡£¡£¡££©À´½á¹¹¡£¡£¡£¡£¡£¡£¡£
6. ͬÑùÖ÷ÊÓͼºÍ×óÊÓͼҲÓÐͬÑùµÄ½á¹¹ÎÒҲʹÓÃÁËÍⲿ¿éÀ´»¡£¡£¡£¡£¡£¡£¡£
¹¹½¨ºÃÍⲿ¿éÒÔºóÑ¡Ôñ²åÈëÖеĿéÀ´²åÈë¡£¡£¡£¡£¡£¡£¡£
7.ÆäËû²¿·ÖÔòÓÉÔ²¡¢Ö±Ïß¡¢µ¹½ÇµÄ¾µÏñ¡¢Æ½ÒÆ¡¢ÐÞ¼ôµÈ¹¤¾ßÀ´ÊµÏÖ£¬£¬£¬£¬£¬£¬£¬²»¶®µÄµØ·½Í¨¹ýѯÎÊͬÑâºÍ°Ù¶ÈÀ´²éÕÒ£¬£¬£¬£¬£¬£¬£¬×îÖÕ»ºÃ¸÷ÊÓͼºó±ãÈçÏÂͼ¡£¡£¡£¡£¡£¡£¡£

8.ÌÜд²¿¼þÊÖÒÕ²ÎÊýºÍÉúÑļ´¿É£¨ÈçÏÂͼ£©

ÍÆ¼öÔĶÁ£ºCADµÄÈýάÁ¢ÌåÆÊÇÐͼµÄ»æÖÆÒªÁì
ÍÆ¼öÔĶÁ£ºCADÊÖ»ú°æ
¡¤Ãâ·ÑÁì90Å·ÔªÃÅÆ±£üÖÐÍûÑûÄú¹²¸°ººÅµÍþ£º¹²¼û¹¤ÒµÊý×Ö»¯µÄÈ«Çòͼ¾°2026-02-05
¡¤ ²ú½ÌÈÚºÏÐÂʵ¼ù£ºÖÐÍûЯÊÖ¸»ÁÙ¾«¹¤¼°´¨ÄÚ¸ßУ¾ÙÐÐÊ׽조׿Խ¹¤³Ìʦ±¡±Éè¼Æ´óÈü2026-01-06
¡¤ ÖÐÍûÈí¼þÁÁÏàÕã½Æû³µÊýÖÇ»¯Äê»á£¬£¬£¬£¬£¬£¬£¬ÒÔ3D+¸³ÄÜÆû³µÁ㲿¼þÐÐҵתÐÍÉý¼¶2026-01-04
¡¤ ÖÐÍûÈí¼þÓ뽨Áؼ¯ÍŸ濢սÂÔÏàÖú£¡¹²ÆôÎÀ³øÐÐÒµÊý×Ö»¯Ñз¢ÐÂÕ÷³Ì2026-01-04
¡¤ ÖÐÍûCAD 365ÈëÑ¡±ÏÂíÍþ²»¶¯²ú¿Æ¼¼50Ç¿£ºÔÆÔÉúÐͬ£¬£¬£¬£¬£¬£¬£¬ÖØËÜÉè¼ÆÉú²úÁ¦Ð·¶Ê½2025-12-22
¡¤ ÖÐÍûÈí¼þÓë¸ñÁ¦µçÆ÷¸æ¿¢Õ½ÂÔÏàÖú£¬£¬£¬£¬£¬£¬£¬¹²ÖþÖйúÖÆÔìÊý×Ö»¯×ªÐͱê¸Ë2025-12-22
¡¤ ²®ÀÊÌØ»úеÈË£ºCAXÒ»Ìå»¯Æ½Ì¨Í»ÆÆÉè¼Æ±ÚÀÝ£¬£¬£¬£¬£¬£¬£¬¿ªÆôÖÇÄÜÖÆÔìÐÂÆªÕÂ2025-12-17
¡¤ Ä£¾ß¼Ó¹¤20Ä꣬£¬£¬£¬£¬£¬£¬ËûÌìÌì¶¼ÔÚ¡°Ä¥¡±Ê²Ã´£¿£¿£¿£¿£¿£¿2025-12-15
¡¤ÍæÈ¤3D£ºÔõÑùÓ¦ÓÃÖÐÍû3D£¬£¬£¬£¬£¬£¬£¬¿ìËÙÉè¼Æ»ùÕ¾ÌìÏß´«¶¯Âݸˣ¿£¿£¿£¿£¿£¿2022-02-10
¡¤È¤Íæ3D£ºÊ¹ÓÃÖÐÍû3DÉè¼Æ³µ¶¥ÕÊÅñ£¬£¬£¬£¬£¬£¬£¬Îª»§ÍâÐÝÏÐÔöÌíÐÂ×°±¸2021-11-25
¡¤ÏÖ´úÓëÀúÊ·µÄÅöײ£º°¢¸ù͢ѧÉúÓ¦ÓÃÖÐÍû3D£¬£¬£¬£¬£¬£¬£¬ÊÖÒÕÖØÏִ·ÒÆæ¡°·Éµú¡±Ì¹¿ËÔÐÍ2021-09-26
¡¤ÎÒµÄÖ鱦ÈËÉú£ºÎ÷°àÑÀÉè¼ÆÊ¦ÓÃÖÐÍû3DÉè¼Æ»ªÃÀÖ鱦2021-09-26
¡¤9¸öСÃîÕУ¬£¬£¬£¬£¬£¬£¬Çл»ÖÁÖÐÍûCAD¾¹¿ÉÒÔÔÆÔÆË³º¨³©ËÙ 2021-09-06
¡¤ÔÀ´²åÍ·ÊÇÕâÑùÉè¼ÆµÄ£¬£¬£¬£¬£¬£¬£¬¿´ÍêÄãѧ»áÁËÂ𣿣¿£¿£¿£¿£¿2021-09-06
¡¤ÍæÈ¤3D£ºÔõÑùÇÉÓÃÖÐÍû3D 2022й¦Ð§£¬£¬£¬£¬£¬£¬£¬Éè¼Æ×¨ÊôÏà»ú£¿£¿£¿£¿£¿£¿2021-08-10
¡¤ÔõÑùʹÓÃCADµÄÍËÈ´ÏÂÁ£¿£¿£¿£¿£¿2022-06-21
¡¤CADÔõÑù»æÖÆÈýάͼÐÎÈýÊÓͼ2022-02-07
¡¤CAD»úе°æÔõÃ´ÖÆ×÷¿×±í?2026-03-17
¡¤CAD½«Èýάģ×Óת»»Îª¶þάͼÐεÄÒªÁì2025-03-25
¡¤Ôõô°ÑCADµÄÎÄ×ÖÅúÁ¿µ¼ÈëWordÀ£¿£¿£¿£¿£¿2019-11-25
¡¤CADÔõÑù±à¼µ¥ÐÐÎÄ×Ö2021-01-11
¡¤ CADÔõÑùÐÞ¸ÄÌæ»»Í¼Ö½ÎÄ×Ö2017-05-25

Ãâ·ÑÁìÈ¡30Ì켤»îÂë
ÁªÏµ¿Í·þ
