ÔÚÉÏÆª½Ì³ÌÖУ¬£¬£¬£¬£¬£¬£¬ÎÒÃÇʹÓÃÖÐÍû3DÍê³ÉÁË·§µÄÖ÷Ì岿·ÖÁã¼þÉè¼Æ²Ù×÷£¬£¬£¬£¬£¬£¬£¬ÔÚ±¾Æª¿Î³Ì½«¼ÌÐøÍê³ÉÊ£Óಿ·ÖÉè¼Æ£¬£¬£¬£¬£¬£¬£¬²¢¶ÔÁã¼þ¾ÙÐнøÒ»²½×°ÅäºÍäÖȾ£¬£¬£¬£¬£¬£¬£¬ÒÔÍê³ÉÕû¸öÉè¼Æ¿Î³Ì¡£¡£¡£¡£¡£ÏÂÃæ£¬£¬£¬£¬£¬£¬£¬ÎÒÃÇ×îÏÈ·§Éè¼ÆµÄϰë½Ú¿Î³Ìѧϰ¡£¡£¡£¡£¡£
µÚÒ»²½£¬£¬£¬£¬£¬£¬£¬ÔÚÏÂͼԲÖùÌå¶ËÃæÉϽ¨ÉèÒ»¸öÔ²ÖùÌ壬£¬£¬£¬£¬£¬£¬°ë¾¶Îª14mm£¬£¬£¬£¬£¬£¬£¬³¤¶ÈΪ22mm£¬£¬£¬£¬£¬£¬£¬ºÍÔÔìÐ;ÙÐв¼¶û¼ÓÔËË㣬£¬£¬£¬£¬£¬£¬Èçͼ1Ëùʾ¡£¡£¡£¡£¡£
ͼ1 ½¨ÉèÔ²ÖùÌå-1
µÚ¶þ²½£¬£¬£¬£¬£¬£¬£¬ÔÚÏÂͼԲÖùÌå¶ËÃæÉϽ¨ÉèÒ»¸öÔ²ÖùÌ壬£¬£¬£¬£¬£¬£¬°ë¾¶Îª17.5mm£¬£¬£¬£¬£¬£¬£¬³¤¶ÈΪ5mm£¬£¬£¬£¬£¬£¬£¬ºÍÔÔìÐ;ÙÐв¼¶û¼ÓÔËË㣬£¬£¬£¬£¬£¬£¬Èçͼ2Ëùʾ¡£¡£¡£¡£¡£

ͼ2 ½¨ÉèÔ²ÖùÌå-2
µÚÈý²½£¬£¬£¬£¬£¬£¬£¬¶ÔÏÂͼ5¸ö±ß¾ÙÐÐ0.5mmµÄµ¹Ô²½Ç£¬£¬£¬£¬£¬£¬£¬Èçͼ3Ëùʾ¡£¡£¡£¡£¡£
ͼ3 µ¹Ô²½Ç-1
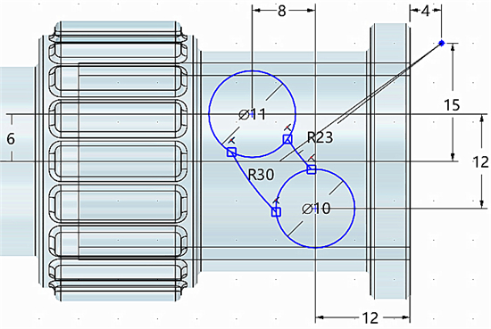
µÚËIJ½£¬£¬£¬£¬£¬£¬£¬ÔÚÏÂͼ¶ËÃæÉϽ¨Éè²Ýͼ£¬£¬£¬£¬£¬£¬£¬»æÖƲÝͼ¾ÙÐÐÈ«Ô¼ÊøÍËÈ´³ö²Ýͼ£¬£¬£¬£¬£¬£¬£¬²ÎÊýÈçͼ4Ëùʾ¡£¡£¡£¡£¡£
ͼ4 »æÖƲÝͼ-1
µÚÎå²½£¬£¬£¬£¬£¬£¬£¬¶ÔÉϲ½²Ýͼ¾ÙÐÐÀÉ죬£¬£¬£¬£¬£¬£¬³¤¶ÈΪ42mm£¬£¬£¬£¬£¬£¬£¬ºÍÔÔìÐ;ÙÐв¼¶û¼õÔËË㣬£¬£¬£¬£¬£¬£¬Èçͼ5Ëùʾ¡£¡£¡£¡£¡£
ͼ5 ÀÉì
µÚÁù²½£¬£¬£¬£¬£¬£¬£¬ÔÚXZÊÂÇéÆ½ÃæÉϽ¨Éè²Ýͼ£¬£¬£¬£¬£¬£¬£¬»æÖÆÏÂͼ²Ýͼ£¬£¬£¬£¬£¬£¬£¬È«Ô¼ÊøÍËÈ´³ö²Ýͼ£¬£¬£¬£¬£¬£¬£¬Ïêϸ²ÎÊýÈçͼ6Ëùʾ¡£¡£¡£¡£¡£
ͼ6 »æÖƲÝͼ-2
µÚÆß²½£¬£¬£¬£¬£¬£¬£¬¶ÔÉϲ½²Ýͼ¾ÙÐÐÀÉ죬£¬£¬£¬£¬£¬£¬Ê°È¡Èý¸ö¹Ø±ÕÇøÓòÂÖÀª£¬£¬£¬£¬£¬£¬£¬ÀàÐÍΪ¶Ô³Æ£¬£¬£¬£¬£¬£¬£¬´©¹ýËùÓУ¬£¬£¬£¬£¬£¬£¬²¼¶ûÔËËãΪ¼õÔËË㣬£¬£¬£¬£¬£¬£¬Èçͼ7Ëùʾ¡£¡£¡£¡£¡£
ͼ7 ÀÉì¶Ô³Æ
µÚ°Ë²½£¬£¬£¬£¬£¬£¬£¬¶ÔÉϲ½ÀÉìËù±¬·¢¿×ÄÚ²¿µÄ8¸ö±ß¾ÙÐÐ3mmµÄµ¹Ô²½Ç£¬£¬£¬£¬£¬£¬£¬Íê³ÉValve FittingÁã¼þµÄÉè¼Æ£¬£¬£¬£¬£¬£¬£¬Í˳öÁã¼þ£¬£¬£¬£¬£¬£¬£¬Èçͼ8Ëùʾ¡£¡£¡£¡£¡£
ͼ8 µ¹Ô²½Ç-2
µÚ¾Å²½£¬£¬£¬£¬£¬£¬£¬Ð½¨Ò»¸öÃû³ÆÎªValveµÄ×°Å䣬£¬£¬£¬£¬£¬£¬²åÈëÁã¼þValve_Fitting£¬£¬£¬£¬£¬£¬£¬Î»ÖÃÔÚÁã룬£¬£¬£¬£¬£¬£¬Àο¿×é¼þ£¬£¬£¬£¬£¬£¬£¬Èçͼ9Ëùʾ¡£¡£¡£¡£¡£
ͼ9 ²åÈëÁã¼þ
µÚÊ®²½£¬£¬£¬£¬£¬£¬£¬²åÈëÁã¼þInsert£¬£¬£¬£¬£¬£¬£¬½«InsertºÍValve_Fitting¾ÙÐÐͬÐÄÔ¼Êø£¬£¬£¬£¬£¬£¬£¬ÔÙ¾ÙÐÐÖØºÏÔ¼Êø£¬£¬£¬£¬£¬£¬£¬Èçͼ10Ëùʾ¡£¡£¡£¡£¡£
ͼ10 Ô¼Êø-1
µÚʮһ²½£¬£¬£¬£¬£¬£¬£¬²åÈëÁã¼þNeedle£¬£¬£¬£¬£¬£¬£¬½«NeedleºÍValve_Fitting¾ÙÐÐͬÐÄÔ¼Êø£¬£¬£¬£¬£¬£¬£¬ÔÙ¾ÙÐÐÖØºÏÔ¼Êø£¬£¬£¬£¬£¬£¬£¬Èçͼ11Ëùʾ¡£¡£¡£¡£¡£
ͼ11 Ô¼Êø-2
µÚÊ®¶þ²½£¬£¬£¬£¬£¬£¬£¬¶ÔInsertÌí¼Ó¸õ²ÄÖÊ£¬£¬£¬£¬£¬£¬£¬¸Ö²ÄÖÊ£¬£¬£¬£¬£¬£¬£¬Í²ÄÖÊ£¬£¬£¬£¬£¬£¬£¬È»ºóÉúÑÄÎļþ£¬£¬£¬£¬£¬£¬£¬Èçͼ12Ëùʾ¡£¡£¡£¡£¡£
ͼ12 Ìí¼Ó²ÄÖÊ-1
µÚÊ®Èý²½£¬£¬£¬£¬£¬£¬£¬Æô¶¯KeyShot£¬£¬£¬£¬£¬£¬£¬Ñ¡ÔñµÈ½Ç±ê×¼ÊÓͼ£¬£¬£¬£¬£¬£¬£¬Èçͼ13Ëùʾ¡£¡£¡£¡£¡£
ͼ13 Æô¶¯KeyShot
µÚÊ®ËIJ½£¬£¬£¬£¬£¬£¬£¬Òƶ¯Ä£×ÓλÖ㬣¬£¬£¬£¬£¬£¬ÑØYÖáÐýת-80¡ã£¬£¬£¬£¬£¬£¬£¬Èçͼ14Ëùʾ¡£¡£¡£¡£¡£
ͼ14 ÒÆ¶¯Ä£×Ó
µÚÊ®Îå²½£¬£¬£¬£¬£¬£¬£¬ÕÒµ½ÏÂͼ²ÄÖÊ£¬£¬£¬£¬£¬£¬£¬²¢¸øÁã¼þValve_FittingºÍNeedleÌí¼Ó¸Ã²ÄÖÊ£¬£¬£¬£¬£¬£¬£¬Èçͼ15Ëùʾ¡£¡£¡£¡£¡£
ͼ15 Ìí¼Ó²ÄÖÊ-2
µÚÊ®Áù²½£¬£¬£¬£¬£¬£¬£¬ÕÒµ½ÏÂͼ²ÄÖÊ£¬£¬£¬£¬£¬£¬£¬¸øÁã¼þInsertÌí¼Ó¸Ã²ÄÖÊ£¬£¬£¬£¬£¬£¬£¬Èçͼ16Ëùʾ¡£¡£¡£¡£¡£
ͼ16 Ìí¼Ó²ÄÖÊ-3
µÚÊ®Æß²½£¬£¬£¬£¬£¬£¬£¬Ê¹ÓÃÏÂͼÅä¾°£¬£¬£¬£¬£¬£¬£¬»ñµÃЧ¹û£¬£¬£¬£¬£¬£¬£¬ÉúÑÄäÖȾÎļþ¼°Îļþ°ü£¬£¬£¬£¬£¬£¬£¬Èçͼ17Ëùʾ¡£¡£¡£¡£¡£
ͼ17 äÖȾÎļþ
ÏÖÔÚ£¬£¬£¬£¬£¬£¬£¬Í¨¹ýÖÐÍû3D¾ÙÐз§×Ô϶øÉÏÉè¼ÆºÍäÖȾ¿Î³Ì¾ÍËùÓÐÍê³ÉÁË¡£¡£¡£¡£¡£Ï£Íûͨ¹ý±¾¿Î³ÌµÄѧϰ£¬£¬£¬£¬£¬£¬£¬¸÷ÈË¿ÉÕÆÎÕÖÐÍû3DÖжàÖÖ»Ø×ªÌåµÄ½¨Ä£·½·¨¡¢»ù±¾×°ÅäÒÔ¼°×°ÅääÖȾµÈ²Ù×÷¼¼ÇÉ£¬£¬£¬£¬£¬£¬£¬¸÷È˺óÐø¿ÉÒÔÉè¼Æ³ö¸ü¶àÀàÐ͵ķ§£¬£¬£¬£¬£¬£¬£¬ÔÚÖÐÍû3DÈí¼þÖоò¿Í³ö¸ü¶àÉè¼Æ¼¼ÇÉ¡£¡£¡£¡£¡£
ÂíÉÏÏÂÔØÖÐÍû3D2017°æ£¬£¬£¬£¬£¬£¬£¬ÌåÑéÖÇÄÜÉè¼Æ£¬£¬£¬£¬£¬£¬£¬Èô´ÒâÎÞ¼«ÏÞ:http://www.zw3d.com.cn/product-58-1.html
ÒÆ¶¯CAD:http://www.zwcad.com/product/yidong.html
CADÅàѵ:http://www.zwcad.com/peixun/
¡¤Ãâ·ÑÁì90Å·ÔªÃÅÆ±£üÖÐÍûÑûÄú¹²¸°ººÅµÍþ£º¹²¼û¹¤ÒµÊý×Ö»¯µÄÈ«Çòͼ¾°2026-02-05
¡¤ ²ú½ÌÈÚºÏÐÂʵ¼ù£ºÖÐÍûЯÊÖ¸»ÁÙ¾«¹¤¼°´¨ÄÚ¸ßУ¾ÙÐÐÊ׽조׿Խ¹¤³Ìʦ±¡±Éè¼Æ´óÈü2026-01-06
¡¤ ÖÐÍûÈí¼þÁÁÏàÕã½Æû³µÊýÖÇ»¯Äê»á£¬£¬£¬£¬£¬£¬£¬ÒÔ3D+¸³ÄÜÆû³µÁ㲿¼þÐÐҵתÐÍÉý¼¶2026-01-04
¡¤ ÖÐÍûÈí¼þÓ뽨Áؼ¯ÍŸ濢սÂÔÏàÖú£¡¹²ÆôÎÀ³øÐÐÒµÊý×Ö»¯Ñз¢ÐÂÕ÷³Ì2026-01-04
¡¤ ÖÐÍûCAD 365ÈëÑ¡±ÏÂíÍþ²»¶¯²ú¿Æ¼¼50Ç¿£ºÔÆÔÉúÐͬ£¬£¬£¬£¬£¬£¬£¬ÖØËÜÉè¼ÆÉú²úÁ¦Ð·¶Ê½2025-12-22
¡¤ ÖÐÍûÈí¼þÓë¸ñÁ¦µçÆ÷¸æ¿¢Õ½ÂÔÏàÖú£¬£¬£¬£¬£¬£¬£¬¹²ÖþÖйúÖÆÔìÊý×Ö»¯×ªÐͱê¸Ë2025-12-22
¡¤ ²®ÀÊÌØ»úеÈË£ºCAXÒ»Ìå»¯Æ½Ì¨Í»ÆÆÉè¼Æ±ÚÀÝ£¬£¬£¬£¬£¬£¬£¬¿ªÆôÖÇÄÜÖÆÔìÐÂÆªÕÂ2025-12-17
¡¤ Ä£¾ß¼Ó¹¤20Ä꣬£¬£¬£¬£¬£¬£¬ËûÌìÌì¶¼ÔÚ¡°Ä¥¡±Ê²Ã´£¿£¿£¿£¿£¿£¿£¿£¿2025-12-15
¡¤ÍæÈ¤3D£ºÔõÑùÓ¦ÓÃÖÐÍû3D£¬£¬£¬£¬£¬£¬£¬¿ìËÙÉè¼Æ»ùÕ¾ÌìÏß´«¶¯Âݸˣ¿£¿£¿£¿£¿£¿£¿£¿2022-02-10
¡¤È¤Íæ3D£ºÊ¹ÓÃÖÐÍû3DÉè¼Æ³µ¶¥ÕÊÅñ£¬£¬£¬£¬£¬£¬£¬Îª»§ÍâÐÝÏÐÔöÌíÐÂ×°±¸2021-11-25
¡¤ÏÖ´úÓëÀúÊ·µÄÅöײ£º°¢¸ù͢ѧÉúÓ¦ÓÃÖÐÍû3D£¬£¬£¬£¬£¬£¬£¬ÊÖÒÕÖØÏִ·ÒÆæ¡°·Éµú¡±Ì¹¿ËÔÐÍ2021-09-26
¡¤ÎÒµÄÖ鱦ÈËÉú£ºÎ÷°àÑÀÉè¼ÆÊ¦ÓÃÖÐÍû3DÉè¼Æ»ªÃÀÖ鱦2021-09-26
¡¤9¸öСÃîÕУ¬£¬£¬£¬£¬£¬£¬Çл»ÖÁÖÐÍûCAD¾¹¿ÉÒÔÔÆÔÆË³º¨³©ËÙ 2021-09-06
¡¤ÔÀ´²åÍ·ÊÇÕâÑùÉè¼ÆµÄ£¬£¬£¬£¬£¬£¬£¬¿´ÍêÄãѧ»áÁËÂ𣿣¿£¿£¿£¿£¿£¿£¿2021-09-06
¡¤ÍæÈ¤3D£ºÔõÑùÇÉÓÃÖÐÍû3D 2022й¦Ð§£¬£¬£¬£¬£¬£¬£¬Éè¼Æ×¨ÊôÏà»ú£¿£¿£¿£¿£¿£¿£¿£¿2021-08-10
¡¤CADµÄ¹«²î±ê×¢ÒªÁìdzÎö2017-10-11
¡¤CADÈýάÔõôת³É¶þάͼֽ2019-07-26
¡¤CADÖÐÔõô¶ÔÏßÐͱÈÀýÉèÖÃ2021-05-18
¡¤cad×éÓë¿éµÄÇø±ð2021-05-28
¡¤CADÔõô¼ÓÔØ²å¼þ2020-02-26
¡¤CADµ÷½âÉÏϱê¾Þϸ¼°Î»ÖõÄÒªÁì2024-06-07
¡¤CAD·ºÆðÎÄ×Ö×Ô¶¯¶ÑµþµÄÇéÐθÃÔõÑù½â¾ö2024-03-13
¡¤ÈýÖÖÒªÁìÔÚCADÖÐÔöÇ¿ÊôÐÔ¿éµÄ±à¼2021-03-11