ÔÚÏÖʵÊÂÇéÖУ¬£¬£¬£¬£¬£¬Éè¼ÆÊ¦ÔÚʹÓÃ3DÈí¼þ»ÍêÁã¼þºó£¬£¬£¬£¬£¬£¬Í¨³£¶¼Òª°Ñ3Dͼת»¯³É2DÆ½Ãæ¹¤³Ìͼ¡£¡£¡£¡£¡£¡£¶øÔÚÖÐÍû3DÖУ¬£¬£¬£¬£¬£¬Èýά½¨Ä£ÊÖÒÕÓë¶þά»æÍ¼¿ÉÈÝÒ×ʵÏÖת»»£¬£¬£¬£¬£¬£¬¿ÉÒÔ½«Áã¼þ¡¢×°ÅäÇéÐÎÖÐÌìÉúµÄÖÖÖÖÁã¼þ¡¢×°Åä¼þµÈʵÌå¾ÙÐÐͶӰ£¬£¬£¬£¬£¬£¬´Ó¶øÌìÉú¶þά¹¤³Ìͼ¡£¡£¡£¡£¡£¡£
±¾½Ú¿Î³ÌÎÒÃǽ«Ñ§Ï°ÔÚÖÐÍû3DÖУ¬£¬£¬£¬£¬£¬ÔõÑùͨ¹ýÖá³Ð×ùµ××ùµÄÈýάģ×ÓÌìÉúÖá³Ð×ùµ××ùµÄ¹¤³Ìͼ¡£¡£¡£¡£¡£¡£
µÚÒ»²½£¬£¬£¬£¬£¬£¬·¿ªÖá³Ð×ù.Z3Îļþ£¬£¬£¬£¬£¬£¬½øÈëÁã¼þÊôÐÔ£¬£¬£¬£¬£¬£¬È»ºóÇл»µ½ÎïÀíÒ³Ãæ£¬£¬£¬£¬£¬£¬²¢·¿ªÖÊÁÏÊôÐÔ£¬£¬£¬£¬£¬£¬Ñ¡ÔñÖÊÁÏSteel-castºó¸üÐÂÎïÀíÊôÐÔ£¬£¬£¬£¬£¬£¬Èçͼ1Ëùʾ¡£¡£¡£¡£¡£¡£

ͼ1 ÎïÀíÊôÐÔ²ÎÊý
µÚ¶þ²½£¬£¬£¬£¬£¬£¬½øÈë2D¹¤³Ìͼ£¬£¬£¬£¬£¬£¬Ê¹ÓÃA3¹ú±ê»úе¹¤³Ìͼģ°å£¬£¬£¬£¬£¬£¬·¿ªÍ¼²ã£¬£¬£¬£¬£¬£¬½¨ÉèÊÖÒÕÒªÇó¡¢±ê×¢ºÍÊÓͼͼ²ã£¬£¬£¬£¬£¬£¬²¢ÉèÖÃÑÕÉ«ºÍÏß¿í£¬£¬£¬£¬£¬£¬Èçͼ2Ëùʾ¡£¡£¡£¡£¡£¡£

ͼ2 ͼ²ã²ÎÊý-1
µÚÈý²½£¬£¬£¬£¬£¬£¬Ê°È¡ÊÖÒÕÒªÇó¡¢±ê×¢ºÍÊÓͼͼ²ã£¬£¬£¬£¬£¬£¬°Ñͼ²ãÖÖ±ðÖ¸¶¨Îª¹¤³Ìͼ£¬£¬£¬£¬£¬£¬ÉèÖÃÎÄ×Ö¡¢ÏßÐÔ±ê×¢¡¢½Ç¶È±ê×¢¡¢°ë¾¶±ê×¢ºÍÖ±¾¶±ê×¢µÄÑùʽÊôÐÔ£¬£¬£¬£¬£¬£¬Èçͼ3Ëùʾ¡£¡£¡£¡£¡£¡£

ͼ3 ͼ²ã²ÎÊý-2
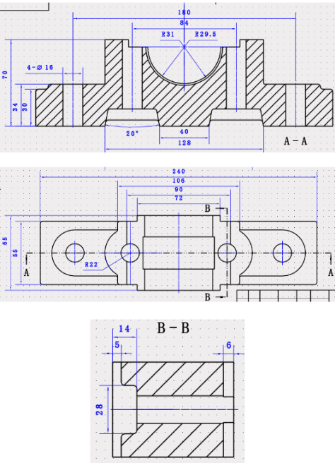
µÚËIJ½£¬£¬£¬£¬£¬£¬½«Ä¿½ñͼ²ãÇл»µ½ÊÓͼͼ²ã£¬£¬£¬£¬£¬£¬½¨Éè±ê×¼ÊÓͼ£¬£¬£¬£¬£¬£¬Ê°È¡µ××ùÁã¼þ£¬£¬£¬£¬£¬£¬Í¶Ó°¶¥ÊÓͼ£¬£¬£¬£¬£¬£¬Í¶Ó°±ÈÀýΪ1£º1£¬£¬£¬£¬£¬£¬È·¶¨Í¶Ó°Î»Ö㬣¬£¬£¬£¬£¬ÌìÉú¶¥ÊÓͼͶӰ£¬£¬£¬£¬£¬£¬Èçͼ4Ëùʾ¡£¡£¡£¡£¡£¡£

ͼ4 ͶӰÌìÉú
µÚÎå²½£¬£¬£¬£¬£¬£¬Ë«»÷ÊÓͼ·¿ªÊÓͼÊôÐÔ£¬£¬£¬£¬£¬£¬¹Ø±ÕÏÔʾÏûÒþÏߣ¬£¬£¬£¬£¬£¬ÏûÒþÏß±»Òþ²Ø£¬£¬£¬£¬£¬£¬Çл»µ½ÏßÌõÒ³Ãæ£¬£¬£¬£¬£¬£¬Ê°È¡ÇÐÏߣ¬£¬£¬£¬£¬£¬ºöÂÔÏßÐÍ£¬£¬£¬£¬£¬£¬Èçͼ5Ëùʾ¡£¡£¡£¡£¡£¡£

ͼ5 ÊÓͼÊôÐÔ
µÚÁù²½£¬£¬£¬£¬£¬£¬ÏàÇÐÏßÉèÖò»ÔÙÏÔʾ£¬£¬£¬£¬£¬£¬Ê¹ÓÃÈ«ÆÊÊÓͼ£¬£¬£¬£¬£¬£¬ÌìÉú¶¥ÊÓͼµÄA-AÈ«ÆÊÊÓͼ£¬£¬£¬£¬£¬£¬Èçͼ6Ëùʾ¡£¡£¡£¡£¡£¡£

ͼ6 È«ÆÊÊÓͼÌìÉú-1
µÚÆß²½£¬£¬£¬£¬£¬£¬Ê°È¡A-AÈ«ÆÊÊÓͼ£¬£¬£¬£¬£¬£¬½øÈëÊÓͼÊôÐÔ£¬£¬£¬£¬£¬£¬Çл»µ½ÏßÌõÒ³Ãæ£¬£¬£¬£¬£¬£¬Ê°È¡ÇÐÏߣ¬£¬£¬£¬£¬£¬ºöÂÔÏßÐÍ£¬£¬£¬£¬£¬£¬ÏàÇÐÏßÉèÖò»ÔÙÏÔʾ£¬£¬£¬£¬£¬£¬½¨ÉèB-BÈ«ÆÊÊÓͼ£¬£¬£¬£¬£¬£¬Èçͼ7Ëùʾ¡£¡£¡£¡£¡£¡£

ͼ7 È«ÆÊÊÓͼÌìÉú-2
µÚ°Ë²½£¬£¬£¬£¬£¬£¬Ê°È¡È«ÆÊÊÓͼ£¬£¬£¬£¬£¬£¬½øÈëÊÓͼÊôÐÔ£¬£¬£¬£¬£¬£¬Çл»µ½ÏßÌõÒ³Ãæ£¬£¬£¬£¬£¬£¬Ê°È¡ÇÐÏߣ¬£¬£¬£¬£¬£¬ºöÂÔÏßÐÍ£»£»£»£»£»£»ÏàÇÐÏß²»ÔÙÏÔʾ£¬£¬£¬£¬£¬£¬Èçͼ8Ëùʾ¡£¡£¡£¡£¡£¡£

ͼ8 ÊÓͼÊôÐÔ
µÚ¾Å²½£¬£¬£¬£¬£¬£¬½øÈëB-BÈ«ÆÊÊÓͼµÄÊÓͼÊôÐÔ£¬£¬£¬£¬£¬£¬Çл»µ½±êǩҳ£¬£¬£¬£¬£¬£¬±êÇ©ÉèÖÃÔÚÊÓͼÉÏ·½Èçͼ2Ëùʾ¡£¡£¡£¡£¡£¡£

ͼ9 Ä£°åÑ¡Ôñ
µÚÊ®²½£¬£¬£¬£¬£¬£¬½¨Éè±ê×¼ÊÓͼ£¬£¬£¬£¬£¬£¬Ñ¡ÔñµÈÖá²âÊÓͼ£¬£¬£¬£¬£¬£¬µ÷½âËõ·Å±ÈÀýΪ1£º2£¬£¬£¬£¬£¬£¬½¨ÉèµÈÖá²âÊÓͼ£¬£¬£¬£¬£¬£¬Èçͼ10Ëùʾ¡£¡£¡£¡£¡£¡£

ͼ10 µÈÖá²âÊÓͼ
µÚʮһ²½£¬£¬£¬£¬£¬£¬È±Ê¡ÖØÁ¿µÄСÊýλÊý¹ý¶à£¬£¬£¬£¬£¬£¬±à¼ÎÊÌâÀ¸£¬£¬£¬£¬£¬£¬¶ÔÊôÐÔ¾ÙÐб༣¬£¬£¬£¬£¬£¬±£´æÐ¡ÊýλÊý1룬£¬£¬£¬£¬£¬Í˳öÎÊÌâÀ¸¼´¿ÉʹÊý¾Ý±¬·¢×ª±ä£¬£¬£¬£¬£¬£¬Èçͼ11Ëùʾ¡£¡£¡£¡£¡£¡£

ͼ11 Êý¾ÝÊôÐÔ
µÚÊ®¶þ²½£¬£¬£¬£¬£¬£¬»®·Ö¶ÔÏÂÁÐÊÓͼ¾ÙÐбê×¢£¬£¬£¬£¬£¬£¬Èçͼ12Ëùʾ¡£¡£¡£¡£¡£¡£

ͼ12 Ìí¼Ó±ê×¢
µÚÊ®Èý²½£¬£¬£¬£¬£¬£¬¶ÔÊÓͼÌí¼ÓÎÄ×Ö£¬£¬£¬£¬£¬£¬Èçͼ13Ëùʾ¡£¡£¡£¡£¡£¡£

ͼ13 Ìí¼ÓÎÄ×Ö
ÖÁ´Ë£¬£¬£¬£¬£¬£¬Ê¹ÓÃÖÐÍû3DÁã¼þÈýάͼÌìÉúÁã¼þ¹¤³Ìͼ¿Î³ÌÒ²¾ÍÍê³ÉÁË£¬£¬£¬£¬£¬£¬ÐÅÍб¾´Î¿Î³Ì¶Ô¸÷ÈËÏÖʵ²Ù×÷ÓÐÒ»¶¨µÄ×ÊÖú£¬£¬£¬£¬£¬£¬´Ó¶øÌáÉýÊÂÇéЧÂÊ¡£¡£¡£¡£¡£¡£
ÂíÉÏÏÂÔØÖÐÍû3D2018°æ£¬£¬£¬£¬£¬£¬ÌåÑéÖÇÄÜÉè¼Æ£¬£¬£¬£¬£¬£¬Èô´ÒâÎÞ¼«ÏÞ£ºhttp://www.zw3d.com.cn/special/list-98.html
Z3ÊÇʲôÃûÌÃÎļþ£ºhttp://www.zw3d.com.cn/blog/201503131763.html

¡¤Ãâ·ÑÁì90Å·ÔªÃÅÆ±£üÖÐÍûÑûÄú¹²¸°ººÅµÍþ£º¹²¼û¹¤ÒµÊý×Ö»¯µÄÈ«Çòͼ¾°2026-02-05
¡¤ ²ú½ÌÈÚºÏÐÂʵ¼ù£ºÖÐÍûЯÊÖ¸»ÁÙ¾«¹¤¼°´¨ÄÚ¸ßУ¾ÙÐÐÊ׽조׿Խ¹¤³Ìʦ±¡±Éè¼Æ´óÈü2026-01-06
¡¤ ÖÐÍûÈí¼þÁÁÏàÕã½Æû³µÊýÖÇ»¯Äê»á£¬£¬£¬£¬£¬£¬ÒÔ3D+¸³ÄÜÆû³µÁ㲿¼þÐÐҵתÐÍÉý¼¶2026-01-04
¡¤ ÖÐÍûÈí¼þÓ뽨Áؼ¯ÍŸ濢սÂÔÏàÖú£¡¹²ÆôÎÀ³øÐÐÒµÊý×Ö»¯Ñз¢ÐÂÕ÷³Ì2026-01-04
¡¤ ÖÐÍûCAD 365ÈëÑ¡±ÏÂíÍþ²»¶¯²ú¿Æ¼¼50Ç¿£ºÔÆÔÉúÐͬ£¬£¬£¬£¬£¬£¬ÖØËÜÉè¼ÆÉú²úÁ¦Ð·¶Ê½2025-12-22
¡¤ ÖÐÍûÈí¼þÓë¸ñÁ¦µçÆ÷¸æ¿¢Õ½ÂÔÏàÖú£¬£¬£¬£¬£¬£¬¹²ÖþÖйúÖÆÔìÊý×Ö»¯×ªÐͱê¸Ë2025-12-22
¡¤ ²®ÀÊÌØ»úеÈË£ºCAXÒ»Ìå»¯Æ½Ì¨Í»ÆÆÉè¼Æ±ÚÀÝ£¬£¬£¬£¬£¬£¬¿ªÆôÖÇÄÜÖÆÔìÐÂÆªÕÂ2025-12-17
¡¤ Ä£¾ß¼Ó¹¤20Ä꣬£¬£¬£¬£¬£¬ËûÌìÌì¶¼ÔÚ¡°Ä¥¡±Ê²Ã´£¿£¿£¿£¿£¿£¿2025-12-15
¡¤ÍæÈ¤3D£ºÔõÑùÓ¦ÓÃÖÐÍû3D£¬£¬£¬£¬£¬£¬¿ìËÙÉè¼Æ»ùÕ¾ÌìÏß´«¶¯Âݸˣ¿£¿£¿£¿£¿£¿2022-02-10
¡¤È¤Íæ3D£ºÊ¹ÓÃÖÐÍû3DÉè¼Æ³µ¶¥ÕÊÅñ£¬£¬£¬£¬£¬£¬Îª»§ÍâÐÝÏÐÔöÌíÐÂ×°±¸2021-11-25
¡¤ÏÖ´úÓëÀúÊ·µÄÅöײ£º°¢¸ù͢ѧÉúÓ¦ÓÃÖÐÍû3D£¬£¬£¬£¬£¬£¬ÊÖÒÕÖØÏִ·ÒÆæ¡°·Éµú¡±Ì¹¿ËÔÐÍ2021-09-26
¡¤ÎÒµÄÖ鱦ÈËÉú£ºÎ÷°àÑÀÉè¼ÆÊ¦ÓÃÖÐÍû3DÉè¼Æ»ªÃÀÖ鱦2021-09-26
¡¤9¸öСÃîÕУ¬£¬£¬£¬£¬£¬Çл»ÖÁÖÐÍûCAD¾¹¿ÉÒÔÔÆÔÆË³º¨³©ËÙ 2021-09-06
¡¤ÔÀ´²åÍ·ÊÇÕâÑùÉè¼ÆµÄ£¬£¬£¬£¬£¬£¬¿´ÍêÄãѧ»áÁËÂ𣿣¿£¿£¿£¿£¿2021-09-06
¡¤ÍæÈ¤3D£ºÔõÑùÇÉÓÃÖÐÍû3D 2022й¦Ð§£¬£¬£¬£¬£¬£¬Éè¼Æ×¨ÊôÏà»ú£¿£¿£¿£¿£¿£¿2021-08-10
¡¤CADÔõôʹÎÄ×ÖÏÔʾ¸ü˳»¬2023-08-31
¡¤ÔÚCADÖбê×¢½Ç¶ÈͼÐεIJÙ×÷ÒªÁì2017-11-10
¡¤CADͼÐÎÐÅÏ¢µÄÁбíÅÌÎÊ2018-01-30
¡¤CADÔõÑùÊäÈëÇãбÎÄ×Ö2019-07-22
¡¤CADÔõÑù»æÖÆË®ÌýÆ÷2022-01-18
¡¤CADÀ³¤ÊÙÁîµÄÓ¦ÓÃ2021-03-04
¡¤CADÏßÐÔ±ê×¢¿ì½Ý¼üÊÇʲô2020-02-21
¡¤CADÃæÓòÖÊÁ¿ÌØÕ÷ÅÌÎʼ°¿ì½Ý¼ü2017-03-22