CADÔõô»Ò»¸ö´°Á±¹Ò¹³?
ÓÃCAD»æÖÆ´°Á±¹Ò¹³²»ÊÇÒ»Ïî¼òÆÓµÄÊÂÇ飬£¬£¬£¬£¬ÊÇÐèÒª¶àÏòÍ·ÄԲſÉÒÔ×ö³öÀ´µÄ¡£¡£¡£¡£¡£¡£¸ÃÔõôÉè¼Æ¹Ò¹³ÄØ£¿£¿£¿£¿£¿£¿£¿ÏÂÃæÎÒÃÇÀ´ËµÒ»ÏÂÏêϸµÄ»æÖư취¡£¡£¡£¡£¡£¡£

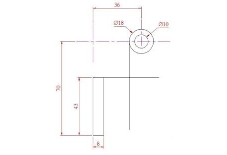
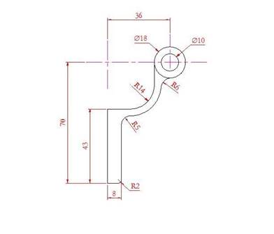
1¡¢×öÖÐÐÄÏߣ¬£¬£¬£¬£¬È·¶¨ºÃÎÒÃÇËùÐèµÄÖ÷ÌåÒªº¦¶¨Î»µã¡£¡£¡£¡£¡£¡£

2¡¢ÕÒµ½ÖÐÐÄÏß½»µã£¬£¬£¬£¬£¬»Ö±¾¶18ºÍÖ±¾¶10µÄÔ²£¬£¬£¬£¬£¬ÒÔ±ÊÖ±¾àÀë70µÄÏÂˮƽÖÐÐÄÏß×öÆ«ÒÆ£¬£¬£¬£¬£¬Ë®Æ½Æ«ÒÆ8£¬£¬£¬£¬£¬ÏòÉÏÆ«ÒÆ43£¬£¬£¬£¬£¬Æ«ÒÆÉÏÀ´µÄÕâÌõÏßÏòÓұ߶àÀ³¤Ò»µã£¬£¬£¬£¬£¬ÔÚÖ±¾¶18µÄÔ²µÄ×ó±ßµÄÏóÏÞµãΪÆðµã£¬£¬£¬£¬£¬×öÒ»Ìõ±ÊÖ±ÏßÏòÏÂÑÓÉì

3¡¢ÓÃÔ²½ÇÏÂÁ£¬£¬£¬£¬×ö°ë¾¶14µÄÔ²£¬£¬£¬£¬£¬ÒÔÉÏÒ»²½Á½ÌõÑÓÉì²¢ÏཻµÄÖ±Ïß×öÔ²½Ç¡£¡£¡£¡£¡£¡£ÓÃÆ«ÒƵÄÏÂÁ£¬£¬£¬£¬½«°ë¾¶14µÄÔ²ÏòÍ⣨ҲÊÇÏòÓÒÏ·½£©Æ«ÒÆ4£¬£¬£¬£¬£¬ÓÃÔ²½ÇÏÂÁ£¬£¬£¬£¬×ö°ë¾¶5£¬£¬£¬£¬£¬°ë¾¶6£¬£¬£¬£¬£¬°ë¾¶2µÄÔ²»¡¡£¡£¡£¡£¡£¡£

4¡¢ÓÃˮƽ¾àÀëΪ8µÄÓÒ±ßÄÇÌõ±ÊÖ±ÏßΪ²ÎÕÕ£¬£¬£¬£¬£¬ÒÔÌõÏßÉϵÄÖÐÐÄΪԲÐÄ£¬£¬£¬£¬£¬»æÖÆÒ»¸ö°ë¾¶12µÄÔ²£¬£¬£¬£¬£¬È»ºóÔÙ°ÑÕâ¸öÔ²ÏòÓÒ±ßÒÆ¶¯12£¬£¬£¬£¬£¬ÈÃÆäÓë±ÊÖ±ÏßÏàÇУ¬£¬£¬£¬£¬ÓûԲÏÂÁîÀïµÄ£¨ÏàÇС¢ÏàÇÐ+°ë¾¶£©»æÖư뾶48µÄÔ²¡£¡£¡£¡£¡£¡££¨Á½¸öÇе㻮·ÖÔÚ°ë¾¶12µÄÔ²ºÍÖ±¾¶18µÄÔ²ÉÏ£©

5¡¢°ÑÉÏ·½µÄˮƽÖÐÐÄÏßÏòÏÂÆ«ÒÆ5¡£¡£¡£¡£¡£¡£Òªº¦²Ù×÷˵Ã÷£º°Ñ°ë¾¶12¡¢°ë¾¶48µÄÔ²ÏòÏÂÒÆ¶¯Ò»Ð©¾àÀ룬£¬£¬£¬£¬ÒªÒƼ¸¶àÄØ£¿£¿£¿£¿£¿£¿£¿¿´ÒÔÏÂ˵Ã÷£ºÎÒÃÇÖªµÀ°ë¾¶48µÄÔ²µÄÔ²ÐÄÊÇÔÚÊʲűÊÖ±Æ«ÒÆÏÂÀ´5mmµÄÕâÌõÏßÉÏ£¬£¬£¬£¬£¬µ«£¬£¬£¬£¬£¬µ«Ë®Æ½¾àÀëÎÒÃÇÊDz»ÖªµÀµÄ£¬£¬£¬£¬£¬ÒÔÊDzÅÓõ½ÊʲŰ뾶12µÄÔ²À´×ö²ÎÕÕÁË¡£¡£¡£¡£¡£¡£
ÊäÈëÒÆ¶¯ÏÂÁ¼òд£ºM£©¡£¡£¡£¡£¡£¡£Ñ¡Ôñ°ë¾¶12¡¢°ë¾¶48µÄÔ²£¬£¬£¬£¬£¬ÒÔ°ë¾¶48µÄÔ²µÄÔ²ÐÄÎªÒÆ¶¯»ùµã£¬£¬£¬£¬£¬±ÊÖ±ÏòÏÂÒÆ¶¯µ½5mmµÄÖÐÐÄÏßÉϵıÊÖ±µãÉϼ´¿É¡£¡£¡£¡£¡£¡££¨×¢ÖØ£¬£¬£¬£¬£¬Õâ¸öʱ¼äÒ»¶¨Òª·¿ªÕý½»Ä£Ê½£©£¬£¬£¬£¬£¬Ð§¹ûÈçͼ£º

6¡¢×îºó°ÑͼÐζàÓàµÄÔªËØÐÞ¼ôµô£¬£¬£¬£¬£¬ÔÙ×ö³ß´ç±ê×¢£¬£¬£¬£¬£¬Íê³É¡£¡£¡£¡£¡£¡£

ÒÔÉϾÍÊÇ»æÖÆ´°Á±¹Ò¹³µÄÏêϸ½Ì³Ì£¬£¬£¬£¬£¬ÓÐÐèÒªµÄÅóÙ¿ÉÒÔÏÂÊÖÊÔÊÔ£¡
ÍÆ¼öÔĶÁ£ºÖÐСѧ×ÛºÏʵ¼ùÔ˶¯
ÍÆ¼öÔĶÁ£ºCADÔõô»æÖưÂÔËÎ廷ͼÐÎ?
¡¤Ãâ·ÑÁì90Å·ÔªÃÅÆ±£üÖÐÍûÑûÄú¹²¸°ººÅµÍþ£º¹²¼û¹¤ÒµÊý×Ö»¯µÄÈ«Çòͼ¾°2026-02-05
¡¤ ²ú½ÌÈÚºÏÐÂʵ¼ù£ºÖÐÍûЯÊÖ¸»ÁÙ¾«¹¤¼°´¨ÄÚ¸ßУ¾ÙÐÐÊ׽조׿Խ¹¤³Ìʦ±¡±Éè¼Æ´óÈü2026-01-06
¡¤ ÖÐÍûÈí¼þÁÁÏàÕã½Æû³µÊýÖÇ»¯Äê»á£¬£¬£¬£¬£¬ÒÔ3D+¸³ÄÜÆû³µÁ㲿¼þÐÐҵתÐÍÉý¼¶2026-01-04
¡¤ ÖÐÍûÈí¼þÓ뽨Áؼ¯ÍŸ濢սÂÔÏàÖú£¡¹²ÆôÎÀ³øÐÐÒµÊý×Ö»¯Ñз¢ÐÂÕ÷³Ì2026-01-04
¡¤ ÖÐÍûCAD 365ÈëÑ¡±ÏÂíÍþ²»¶¯²ú¿Æ¼¼50Ç¿£ºÔÆÔÉúÐͬ£¬£¬£¬£¬£¬ÖØËÜÉè¼ÆÉú²úÁ¦Ð·¶Ê½2025-12-22
¡¤ ÖÐÍûÈí¼þÓë¸ñÁ¦µçÆ÷¸æ¿¢Õ½ÂÔÏàÖú£¬£¬£¬£¬£¬¹²ÖþÖйúÖÆÔìÊý×Ö»¯×ªÐͱê¸Ë2025-12-22
¡¤ ²®ÀÊÌØ»úеÈË£ºCAXÒ»Ìå»¯Æ½Ì¨Í»ÆÆÉè¼Æ±ÚÀÝ£¬£¬£¬£¬£¬¿ªÆôÖÇÄÜÖÆÔìÐÂÆªÕÂ2025-12-17
¡¤ Ä£¾ß¼Ó¹¤20Ä꣬£¬£¬£¬£¬ËûÌìÌì¶¼ÔÚ¡°Ä¥¡±Ê²Ã´£¿£¿£¿£¿£¿£¿£¿2025-12-15
¡¤ÍæÈ¤3D£ºÔõÑùÓ¦ÓÃÖÐÍû3D£¬£¬£¬£¬£¬¿ìËÙÉè¼Æ»ùÕ¾ÌìÏß´«¶¯Âݸˣ¿£¿£¿£¿£¿£¿£¿2022-02-10
¡¤È¤Íæ3D£ºÊ¹ÓÃÖÐÍû3DÉè¼Æ³µ¶¥ÕÊÅñ£¬£¬£¬£¬£¬Îª»§ÍâÐÝÏÐÔöÌíÐÂ×°±¸2021-11-25
¡¤ÏÖ´úÓëÀúÊ·µÄÅöײ£º°¢¸ù͢ѧÉúÓ¦ÓÃÖÐÍû3D£¬£¬£¬£¬£¬ÊÖÒÕÖØÏִ·ÒÆæ¡°·Éµú¡±Ì¹¿ËÔÐÍ2021-09-26
¡¤ÎÒµÄÖ鱦ÈËÉú£ºÎ÷°àÑÀÉè¼ÆÊ¦ÓÃÖÐÍû3DÉè¼Æ»ªÃÀÖ鱦2021-09-26
¡¤9¸öСÃîÕУ¬£¬£¬£¬£¬Çл»ÖÁÖÐÍûCAD¾¹¿ÉÒÔÔÆÔÆË³º¨³©ËÙ 2021-09-06
¡¤ÔÀ´²åÍ·ÊÇÕâÑùÉè¼ÆµÄ£¬£¬£¬£¬£¬¿´ÍêÄãѧ»áÁËÂ𣿣¿£¿£¿£¿£¿£¿2021-09-06
¡¤ÍæÈ¤3D£ºÔõÑùÇÉÓÃÖÐÍû3D 2022й¦Ð§£¬£¬£¬£¬£¬Éè¼Æ×¨ÊôÏà»ú£¿£¿£¿£¿£¿£¿£¿2021-08-10
¡¤CAD¼Ðµã±à¼ÔõôÓã¿£¿£¿£¿£¿£¿£¿2020-02-26
¡¤CAD´òÓ¡³öͼÏßÐÍÒì³£ÊÇΪʲô£¿£¿£¿£¿£¿£¿£¿2025-08-05
¡¤CAD³õѧÕ߽̳̣º»úÐµÖÆÍ¼¼¼ÇÉ2020-05-27
¡¤CADÖÐÔõÑù¿ìËÙÖØÑ¡Éϴαà¼Ê±Ñ¡ÖеÄËùÓй¤¾ß¾ÙÐÐÒÆ¶¯µÈ²Ù×÷£¿£¿£¿£¿£¿£¿£¿2024-09-10
¡¤CADÖеıí¸ñµ¼³ö¹¦Ð§2020-08-25
¡¤CAD½øÈëÊÓ¿Ú³ö²»À´Ôõô°ì2017-04-06
¡¤Èç×÷Éõ¼ÓÔØµÄCAD¶þ´Î¿ª·¢¹¦Ð§Ð½¨ÏÂÁîͼ±ê£¿£¿£¿£¿£¿£¿£¿2024-06-17
¡¤CADÔõÑù¶ÔÈýάʵÌå¾ÙÐв¼¶ûÔËËã2025-06-27

Ãâ·ÑÁìÈ¡30Ì켤»îÂë
ÁªÏµ¿Í·þ
