½ØÃÅ·§ÊÇʹÓÃ×îÆÕ±éµÄ·§ÃÅÖ®Ò»£¬£¬£¬£¬£¬ÄÜͨ¹ý¶ÔѹÁ¦µÄÔËÓ㬣¬£¬£¬£¬Ç¿ÖÆÃÜ·âÃæ²»Ð¹Â¶£¬£¬£¬£¬£¬´Ó¶øµÖ´ï×èÖ¹½éÖʵÄЧ¹û¡£¡£¡£¡£¡£¡£±¾´ÎµÄʵÀý½Ì³ÌÖУ¬£¬£¬£¬£¬ÎÒÃǽ«Í¨¹ýÖÐÍû3DÀ´Éè¼ÆÍ¼1ÖеÄÕâ¿î½ØÃÅ·§·§Ì壬£¬£¬£¬£¬²¢¶Ô·§Ìå³öÍêÕûµÄ¹¤³Ìͼ£¨Í¼2£©¡£¡£¡£¡£¡£¡£

ͼ1 ½ØÃÅͼ1½âÃÆ·§·§Ìå

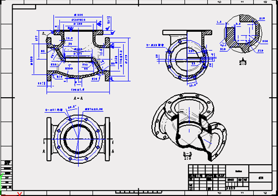
ͼ2 ·§ÌåµÄ¹¤³Ìͼ
ÏÂÃæÎÒÃÇÀ´¿´¿´·§Ì彨ģµÄÏêϸ²Ù×÷¡£¡£¡£¡£¡£¡£
µÚÒ»²½£º½¨Éè²Ýͼ
ÔÚXZÊÂÇéÆ½ÃæÉϽ¨Éè²Ýͼ£¬£¬£¬£¬£¬ÔÚÊôÐÔÏÂÀ²Ëµ¥Ï½øÈë±ê×¢£¬£¬£¬£¬£¬Èçͼ3Ëùʾ¡£¡£¡£¡£¡£¡£
ͼ3 ½øÈë±ê×¢
½«²ÝͼµÄСÊýλÊýÉèÖÃΪÕûÊý£¬£¬£¬£¬£¬Èçͼ4Ëùʾ¡£¡£¡£¡£¡£¡£
ͼ4 СÊýÉèÖÃ
µÚ¶þ²½£º»æÖƲÝͼ
»æÖÆÈçͼ5²Ýͼ£¬£¬£¬£¬£¬²¢¾ÙÐбê×¢ºÍÔ¼Êø¡£¡£¡£¡£¡£¡£

ͼ5 »æÖƲÝͼ
ÔÚÉÏÒ»²½µÄ»ù´¡ÉϼÌÐø»æÖƲÝͼ£¬£¬£¬£¬£¬²¢¾ÙÐбê×¢ºÍÔ¼Êø£¬£¬£¬£¬£¬Í¼6ÖкìÉ«¾ØÐοòÀïµÄ±êעΪÔÚÉÏÒ»²½»ù´¡ÉÏÐÂÌíµÄ±ê×¢¡£¡£¡£¡£¡£¡£
ͼ6 ÐÂÌí±ê×¢
ÔÚÉÏÒ»²½µÄ»ù´¡ÉÏ»æÖÆÔ²»¡£¡£¡£¡£¡£¡£¬£¬£¬£¬£¬Ô²ÐÄÂäÔÚYÖáÉÏ£¬£¬£¬£¬£¬¶ÔÔ²»¡ºÍÅþÁ¬µÄˮƽÏ߶ξÙÐÐÐÞ¼ôºÍÔ¼Êø£¬£¬£¬£¬£¬Èçͼ7Ëùʾ¡£¡£¡£¡£¡£¡£
ͼ7 »æÖÆÔ²»¡
¶ÔÔ²»¡¾ÙÐÐ11.9mmµÄÆ«ÒÆ²Ù×÷£¬£¬£¬£¬£¬²¢¾ÙÐбê×¢ºÍÔ¼Êø£¨Í¼8£©¡£¡£¡£¡£¡£¡£
ͼ8 Ô²»¡Æ«ÒƲÙ×÷
µ¹Ô²½Ç21.9mm£¨Í¼9£©¡£¡£¡£¡£¡£¡£
ͼ9 µ¹Ô²½Ç
ÔÚÉÏÒ»²½µÄ»ù´¡ÉϼÌÐøÆ«ÒÆ11.9mmµÄˮƽÏߣ¬£¬£¬£¬£¬È»ºó¾ÙÐе¹10mmµÄÔ²½Ç£¬£¬£¬£¬£¬Èçͼ10Ëùʾ¡£¡£¡£¡£¡£¡£

ͼ10 Æ«ÒÆ²¢µ¹Ô²½Ç
ÔÚÉÏÒ»²½µÄ»ù´¡ÉϼÌÐø»æÖƲÝͼ£¬£¬£¬£¬£¬Ò»¶ÎÊúÖ±Ö±Ï߶κ͵¹10mmµÄÔ²½Ç£¨Í¼11£©¡£¡£¡£¡£¡£¡£
ͼ11 »æÖƲÝͼ
¼ÌÐø»æÖƲÝͼ£¬£¬£¬£¬£¬°ÑÁ½Í·Ô²»¡¾ÙÐÐÅþÁ¬£¬£¬£¬£¬£¬²¢¾ÙÐбê×¢ºÍÔ¼Êø£¨Í¼12£©£¬£¬£¬£¬£¬Íê³ÉÍËÈ´³ö²Ýͼ¡£¡£¡£¡£¡£¡£
ͼ12 ÅþÁ¬Ô²»¡²¢±ê×¢Ô¼Êø
µÚÈý²½£ºÐýת
ʹÓá°ÔìÐÍ¡±Ò³ÃæÏµġ°Ðýת¡±ÏÂÁ£¬£¬£¬£¬´Ó180¡ãµ½360¡ãÐýת£¬£¬£¬£¬£¬×¢ÖØÐýתÖáµÄÆ«Ïò£¬£¬£¬£¬£¬ÐýתЧ¹ûÈçͼ13Ëùʾ¡£¡£¡£¡£¡£¡£
ͼ13 Íê³ÉÐýת
µÚËIJ½£º½¨Éè²Ýͼ
ÔÚÏÂͼ14ÖиßÁÁÃæÉϽ¨Éè²Ýͼ¡£¡£¡£¡£¡£¡£
ͼ14 ¸ßÁÁÃæÉϽ¨Éè²Ýͼ
»æÖÆÏÂͼ15µÄµã£¬£¬£¬£¬£¬²¢¾ÙÐбê×¢ºÍÔ¼Êø¡£¡£¡£¡£¡£¡£
ͼ15 »æÖƲÝͼµã
µÚÎå²½£º¿×²Ù×÷
ÔÚÉϲ½µÄµãÉϾÙÐдò¿×£¬£¬£¬£¬£¬Ö±¾¶Îª22mm£¬£¬£¬£¬£¬¿¢Ê¶ËΪÖÕÖ¹Ãæ£¬£¬£¬£¬£¬Ð§¹ûÈçͼ16Ëùʾ¡£¡£¡£¡£¡£¡£
ͼ16 ´ò¿×Ч¹û
µÚÁù²½£ºÕóÁÐ
ʹÓá°ÔìÐÍ¡±Ò³ÃæÏµġ°ÕóÁС±ÏÂÁ£¬£¬£¬£¬Íê³ÉÊýĿΪ4£¬£¬£¬£¬£¬½Ç¶ÈΪ45¶ÈµÄÔ²ÐÎÕóÁвÙ×÷£¬£¬£¬£¬£¬Ð§¹ûÈçͼ17Ëùʾ¡£¡£¡£¡£¡£¡£
ͼ17 ÕóÁÐЧ¹û
µÚÆß²½£º½¨ÉèÊÂÇéÆ½Ãæ
ʹÓá°ÔìÐÍ¡±Ò³ÃæÏµġ°»ù×¼Ãæ¡±ÏÂÁ£¬£¬£¬£¬ÒÔXYÊÂÇéÆ½ÃæÎª»ù×¼Æ«ÒÆ²¶»ñµ½ÏÂͼ18¼«µãλÖ㬣¬£¬£¬£¬½¨ÉèÊÂÇéÆ½Ãæ¡£¡£¡£¡£¡£¡£
ͼ18 ½¨ÉèÊÂÇéÆ½Ãæ
µÚ°Ë²½£º½¨Éè²Ýͼ
ÔÚ½¨ÉèµÄÊÂÇéÆ½ÃæÉÏ»æÖÆ1/4µÄÔ²»¡£¡£¡£¡£¡£¡£¬£¬£¬£¬£¬ÒÔ¼°Ë®Æ½ÏߺÍÊúÖ±Ïߣ¬£¬£¬£¬£¬×é³ÉÒ»¸ö1/4Ô²µÄ¹Ø±Õ²Ýͼ£¬£¬£¬£¬£¬Èçͼ19Ëùʾ¡£¡£¡£¡£¡£¡£
ͼ19 ½¨Éè²Ýͼ
µÚ¾Å²½£ºÀÉì
ʹÓá°ÔìÐÍ¡±Ò³ÃæÏµġ°ÀÉ족ÏÂÁ£¬£¬£¬£¬¶ÔÉϲ½²Ýͼ¾ÙÐжԳÆ3mmµÄÀÉ죬£¬£¬£¬£¬ºÍʵÌåÔìÐ;ÙÐв¼¶û¼ÓÔËË㣬£¬£¬£¬£¬Íê±ÏºóÒþ²Ø½¨ÉèµÄÊÂÇéÆ½Ãæ£¬£¬£¬£¬£¬Èçͼ20Ëùʾ¡£¡£¡£¡£¡£¡£
ͼ20 ÀÉì
µÚÊ®²½£º½¨ÉèÊÂÇéÆ½Ãæ
ʹÓá°ÔìÐÍ¡±Ò³ÃæÏµġ°»ù×¼Ãæ¡±ÏÂÁ£¬£¬£¬£¬ÒÔXYÊÂÇéÆ½ÃæÎª»ù×¼ÔÚZÖáµÄÕýÆ«ÏòÆ«ÒÆ187mm£¬£¬£¬£¬£¬½¨ÉèÊÂÇéÆ½Ãæ£¬£¬£¬£¬£¬Èçͼ21Ëùʾ¡£¡£¡£¡£¡£¡£
ͼ21 ½¨ÉèÊÂÇéÆ½Ãæ
µÚʮһ²½£º»æÖƲÝͼ
ÔÚµÚÊ®²½µÄ»ù´¡ÉϼÌÐø»æÖƲÝͼ£¬£¬£¬£¬£¬»æÖÆ1/4µÄÔ²»¡£¡£¡£¡£¡£¡£¬£¬£¬£¬£¬ÒÔ¼°Ë®Æ½ÏߺÍÊúÖ±Ïߣ¬£¬£¬£¬£¬×é³ÉÒ»¸ö1/4Ô²µÄ¹Ø±Õ²Ýͼ£¨Í¼22£©¡£¡£¡£¡£¡£¡£
ͼ22 »æÖƲÝͼ
µÚÊ®¶þ²½£ºÀÉì
ʹÓá°ÔìÐÍ¡±Ò³ÃæÏµġ°ÀÉ족ÏÂÁ£¬£¬£¬£¬ÑØZÖḺƫÏòÀÉì28mmºóÒþ²ØÊÂÇéÆ½Ãæ£¬£¬£¬£¬£¬Èçͼ23Ëùʾ¡£¡£¡£¡£¡£¡£
ͼ23 ÑØZÖáÀÉì
µÚÊ®Èý²½£º»æÖƲÝͼ
ÔÙ´ÎÔÚÊʲŵÄÊÂÇéÆ½ÃæÉÏ»æÖƲÝͼ£¬£¬£¬£¬£¬»æÖÆ1/4µÄÔ²»¡£¡£¡£¡£¡£¡£¬£¬£¬£¬£¬ÒÔ¼°Ë®Æ½ÏߺÍÊúÖ±Ïߣ¬£¬£¬£¬£¬×é³ÉÒ»¸ö1/4Ô²µÄ¹Ø±Õ²Ýͼ£¨Í¼24£©¡£¡£¡£¡£¡£¡£
ͼ24 »æÖƲÝͼ
µÚÊ®ËIJ½£ºÀÉì
ʹÓá°ÔìÐÍ¡±Ò³ÃæÏµġ°ÀÉ족ÏÂÁ£¬£¬£¬£¬ÀÉìµ½ÇòÃæ£¬£¬£¬£¬£¬²¼¶ûÔËËãΪ»ùÌ壬£¬£¬£¬£¬Òþ²ØÊÂÇéÆ½Ãæ£¬£¬£¬£¬£¬Èçͼ25Ëùʾ¡£¡£¡£¡£¡£¡£
ͼ25 ÀÉìЧ¹û
µÚÊ®Îå²½£º²¼¶ûÔËËã
ɾ³ýͼ26ËùʾµÄ¶àÓàÔìÐÍ£¬£¬£¬£¬£¬È»ºóʹÓá°ÔìÐÍ¡±Ò³ÃæÏµġ°×éºÏ¡±ÏÂÁî¾ÙÐв¼¶ûÔËË㣬£¬£¬£¬£¬°ÑÈý¸öÔìÐ;ÙÐкϲ¢£¨Í¼27£©¡£¡£¡£¡£¡£¡£
ͼ26 ɾ³ý¶àÓàÔìÐÍ
ͼ27 ²¼¶ûÔËËãºÏ²¢
µÚÊ®Áù²½£º´ò¿×
ʹÓá°ÔìÐÍ¡±Ò³ÃæÏµġ°¿×¡±ÏÂÁ£¬£¬£¬£¬¾ÙÐÐÖ±¾¶Îª190mmµÄ´ò¿×£¬£¬£¬£¬£¬Èçͼ28Ëùʾ¡£¡£¡£¡£¡£¡£
ͼ28 ´ò¿×
µÚÊ®Æß²½£º½¨Éè²Ýͼ
ÔÚÏÂͼµÄÍâòÉϽ¨Éè²Ýͼ£¬£¬£¬£¬£¬»æÖÆÒ»¸öÖ±¾¶Îª240mmµÄÔ²£¨Í¼29£©¡£¡£¡£¡£¡£¡£
ͼ29 ½¨Éè²Ýͼ
µÚÊ®°Ë²½£ºÀÉìÇгý
ʹÓá°ÔìÐÍ¡±Ò³ÃæÏµġ°ÀÉ족ÏÂÁ£¬£¬£¬£¬ÀÉìÇгýÉî¶ÈΪ6mm£¨Í¼30£©¡£¡£¡£¡£¡£¡£
ͼ30 ÀÉìÇгý
µÚÊ®¾Å²½£ºµ¹Ô²½Ç
¶Ôͼ31ËùʾλÖû®·Ö¾ÙÐÐ10mm¡¢20mm¡¢31.9mmµÄµ¹Ô²½Ç

ͼ31 µ¹Ô²½Ç
µÚ¶þÊ®²½£º½¨Éè²Ýͼ
ÔÚͼ32Ëùʾ¸ßÁÁÍâòÉϽ¨Éè²Ýͼ£¬£¬£¬£¬£¬²¢»æÖÆÒ»¸öµã£¬£¬£¬£¬£¬¾ÙÐÐÔ¼Êø¡£¡£¡£¡£¡£¡£
ͼ32 ½¨Éè²Ýͼ
µÚ¶þʮһ²½£º´ò¿×
ÔÚÉÏÒ»²½µÄµãÉϾÙÐдò¿×£¬£¬£¬£¬£¬Ö±¾¶Îª21mm£¨Í¼33£©¡£¡£¡£¡£¡£¡£
ͼ33 ´ò¿×
µÚ¶þÊ®¶þ²½£ºÕóÁÐ
ʹÓá°ÔìÐÍ¡±Ò³ÃæÏµġ°ÕóÁС±ÏÂÁ£¬£¬£¬£¬Ô²ÐÎÕóÁÐ45¶È£¬£¬£¬£¬£¬Èçͼ34Ëùʾ¡£¡£¡£¡£¡£¡£

ͼ34 ÕóÁÐ
µÚ¶þÊ®Èý²½£º¾µÏñ
ʹÓá°ÔìÐÍ¡±Ò³ÃæÏµġ°¾µÏñ¡±ÏÂÁ£¬£¬£¬£¬¾µÏñÆ½ÃæÎªYZÆ½Ãæ£¬£¬£¬£¬£¬Ð§¹ûÈçͼ35Ëùʾ¡£¡£¡£¡£¡£¡£
ͼ35 ¾µÏñ
µ½ÕâÒ»²½£¬£¬£¬£¬£¬·§ÌåµÄ½¨Ä£Éè¼Æ»ù±¾ÏÔʾ³ö³ûÐÎÁË£¬£¬£¬£¬£¬Ôڽ̵̳ĺóÁ½ÆªÖУ¬£¬£¬£¬£¬ÎÒÃǽ«¼ÌÐø¶Ô·§ÌåµÄÆäËûÉè¼Æ²Ù×÷¾ÙÐÐÏÈÈÝ£¬£¬£¬£¬£¬²¢³öÍêÕûµÄ¹¤³Ìͼ³öÀ´¡£¡£¡£¡£¡£¡£¸ÏæÏÂÔØÖÐÍû3D£¬£¬£¬£¬£¬¸úÎÒÃÇÒ»ÆðÀ´¾ÙÐÐʵ²ÙÌåÑé°É£¡
ÂíÉÏÏÂÔØÖÐÍû3D 2016°æ£¬£¬£¬£¬£¬ÏíÊܸßЧÎÞаµÄÉè¼ÆÌåÑ飺http://www.zw3d.com.cn/product-58-1.html
Z3ÊÇʲôÃûÌÃÎļþ£ºhttp://www.zw3d.com.cn/blog/201503131763.html

¡¤Ãâ·ÑÁì90Å·ÔªÃÅÆ±£üÖÐÍûÑûÄú¹²¸°ººÅµÍþ£º¹²¼û¹¤ÒµÊý×Ö»¯µÄÈ«Çòͼ¾°2026-02-05
¡¤ ²ú½ÌÈÚºÏÐÂʵ¼ù£ºÖÐÍûЯÊÖ¸»ÁÙ¾«¹¤¼°´¨ÄÚ¸ßУ¾ÙÐÐÊ׽조׿Խ¹¤³Ìʦ±¡±Éè¼Æ´óÈü2026-01-06
¡¤ ÖÐÍûÈí¼þÁÁÏàÕã½Æû³µÊýÖÇ»¯Äê»á£¬£¬£¬£¬£¬ÒÔ3D+¸³ÄÜÆû³µÁ㲿¼þÐÐҵתÐÍÉý¼¶2026-01-04
¡¤ ÖÐÍûÈí¼þÓ뽨Áؼ¯ÍŸ濢սÂÔÏàÖú£¡¹²ÆôÎÀ³øÐÐÒµÊý×Ö»¯Ñз¢ÐÂÕ÷³Ì2026-01-04
¡¤ ÖÐÍûCAD 365ÈëÑ¡±ÏÂíÍþ²»¶¯²ú¿Æ¼¼50Ç¿£ºÔÆÔÉúÐͬ£¬£¬£¬£¬£¬ÖØËÜÉè¼ÆÉú²úÁ¦Ð·¶Ê½2025-12-22
¡¤ ÖÐÍûÈí¼þÓë¸ñÁ¦µçÆ÷¸æ¿¢Õ½ÂÔÏàÖú£¬£¬£¬£¬£¬¹²ÖþÖйúÖÆÔìÊý×Ö»¯×ªÐͱê¸Ë2025-12-22
¡¤ ²®ÀÊÌØ»úеÈË£ºCAXÒ»Ìå»¯Æ½Ì¨Í»ÆÆÉè¼Æ±ÚÀÝ£¬£¬£¬£¬£¬¿ªÆôÖÇÄÜÖÆÔìÐÂÆªÕÂ2025-12-17
¡¤ Ä£¾ß¼Ó¹¤20Ä꣬£¬£¬£¬£¬ËûÌìÌì¶¼ÔÚ¡°Ä¥¡±Ê²Ã´£¿£¿£¿£¿£¿2025-12-15
¡¤ÍæÈ¤3D£ºÔõÑùÓ¦ÓÃÖÐÍû3D£¬£¬£¬£¬£¬¿ìËÙÉè¼Æ»ùÕ¾ÌìÏß´«¶¯Âݸˣ¿£¿£¿£¿£¿2022-02-10
¡¤È¤Íæ3D£ºÊ¹ÓÃÖÐÍû3DÉè¼Æ³µ¶¥ÕÊÅñ£¬£¬£¬£¬£¬Îª»§ÍâÐÝÏÐÔöÌíÐÂ×°±¸2021-11-25
¡¤ÏÖ´úÓëÀúÊ·µÄÅöײ£º°¢¸ù͢ѧÉúÓ¦ÓÃÖÐÍû3D£¬£¬£¬£¬£¬ÊÖÒÕÖØÏִ·ÒÆæ¡°·Éµú¡±Ì¹¿ËÔÐÍ2021-09-26
¡¤ÎÒµÄÖ鱦ÈËÉú£ºÎ÷°àÑÀÉè¼ÆÊ¦ÓÃÖÐÍû3DÉè¼Æ»ªÃÀÖ鱦2021-09-26
¡¤9¸öСÃîÕУ¬£¬£¬£¬£¬Çл»ÖÁÖÐÍûCAD¾¹¿ÉÒÔÔÆÔÆË³º¨³©ËÙ 2021-09-06
¡¤ÔÀ´²åÍ·ÊÇÕâÑùÉè¼ÆµÄ£¬£¬£¬£¬£¬¿´ÍêÄãѧ»áÁËÂ𣿣¿£¿£¿£¿2021-09-06
¡¤ÍæÈ¤3D£ºÔõÑùÇÉÓÃÖÐÍû3D 2022й¦Ð§£¬£¬£¬£¬£¬Éè¼Æ×¨ÊôÏà»ú£¿£¿£¿£¿£¿2021-08-10
¡¤?CADÔõÑù¸Ä±äͼÐÎÌî³ä£¿£¿£¿£¿£¿2020-06-08
¡¤CADÖÐÎÄ×ÖÏÔʾ·´ÏòµÄÔµ¹ÊÔÓɼ°½â¾öÒªÁì2024-08-28
¡¤CADÔõôͳ¼ÆÍ¼ÐÎÊýÄ¿£¿£¿£¿£¿£¿2022-07-25
¡¤CADÏßÐÍÍâ¹ÛÔõôÐÞ¸Ä2017-05-15
¡¤CAD±êעʱ£¬£¬£¬£¬£¬ÔõÑùÈñê×¢¿ÕÐļýÍ·Äð³ÉʵÐļýÍ·2018-08-22
¡¤ÔõÑùͨ¹ýCAD¶Ô¿é¾ÙÐвåÈë²Ù×÷2023-10-12
¡¤CADÖÐÔõÑù½«Ô²»µÄ¸üÔ²»¬£¿£¿£¿£¿£¿2017-07-13
¡¤CADÔõÑùʹÓÃSCALEÏÂÁî¸´ÖÆ¹¤¾ß2020-12-24